Click to order
Total: 
Ваше имя
Ваш Email
Ваш телефон

Проект: Телецентрический микроскоп с рабочей
областью измерений 75x65 мм


Телецентрические объективы применяются в измерительных микроскопах и системах машинного зрения, поскольку такие объективы имеют параллельный ход пучков, а увеличение не зависит от расстояния между объективом и измеряемым предметом. Полученное изображение с телецентрического объектива схоже с проекцией на чертеже и идеально подходит для анализа и измерений.


Область применения телецентрической оптики

обычный объектив

телецентрический
объектив


Цель проекта заключалась в создании измерительного устройства с рабочей областью измерений 75x65 мм. После проведения анализа серийно выпускаемой телецентрической оптики, которая бы позволила покрыть такую область измерений, за основу был взял объектив OPTO ENGINEERING TC12080.

Описание проекта и поиск решений для реализации телецентрического микроскопа

Для осуществления измерений необходимо поддерживать фокусное расстояние 226,7 мм между объективом TC12080 и измеряемым объектом для обеспечения резкости картинки. Это приводит к необходимости подъема объектива на разную высоту в зависимости от высоты измеряемого объекта.

Для реализации подъема объектива инженерами ООО «СКБ «Элемент» было принято решение разработать концепт устройства, включающий в себя раму, на которой бы расположились элементы управления микроскопом, подъемный механизм, кронштейн для крепления объектива, кольцевая подсветка, блоки питания подъемного механизма и подсветки.


Разработка

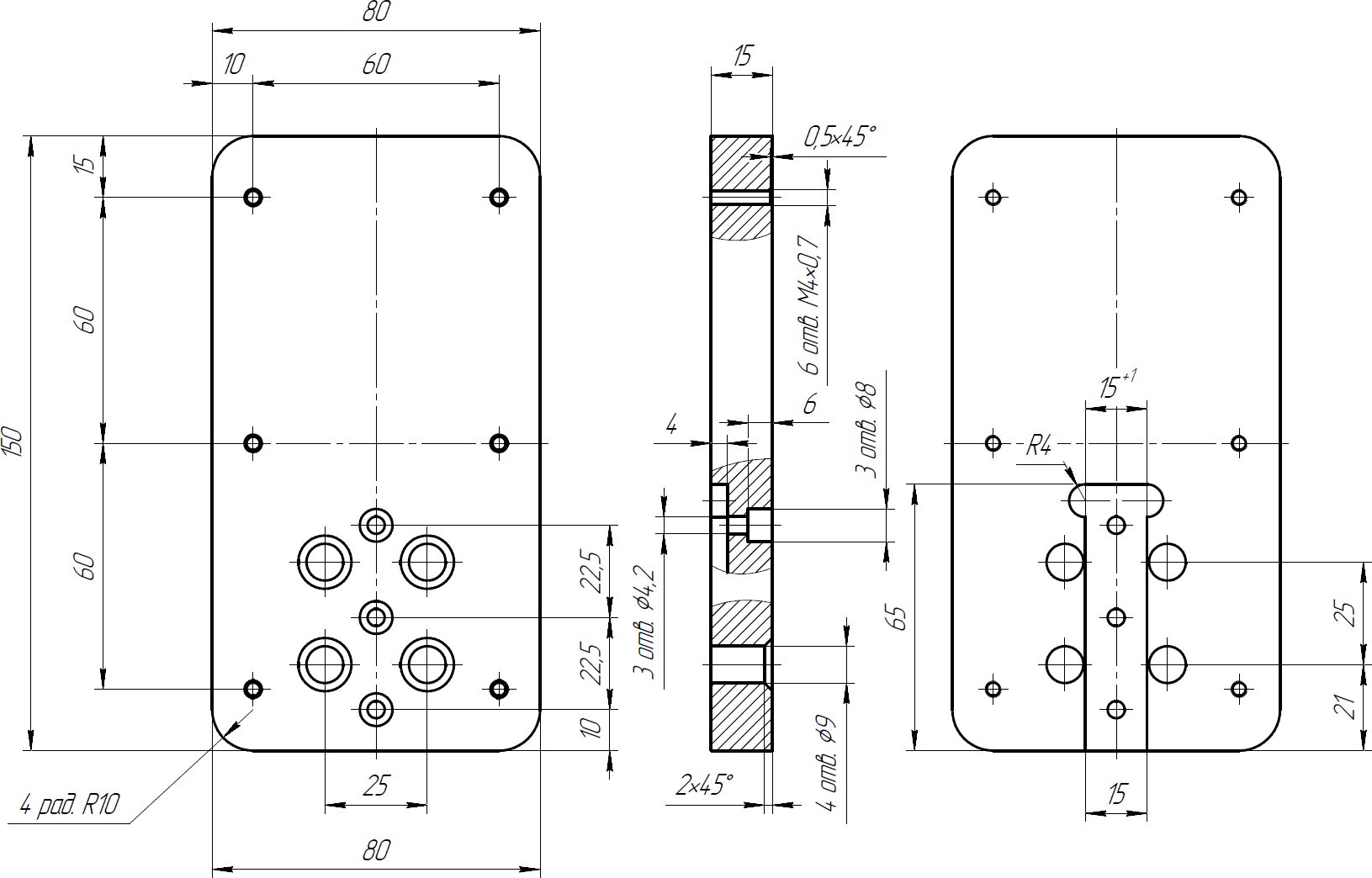
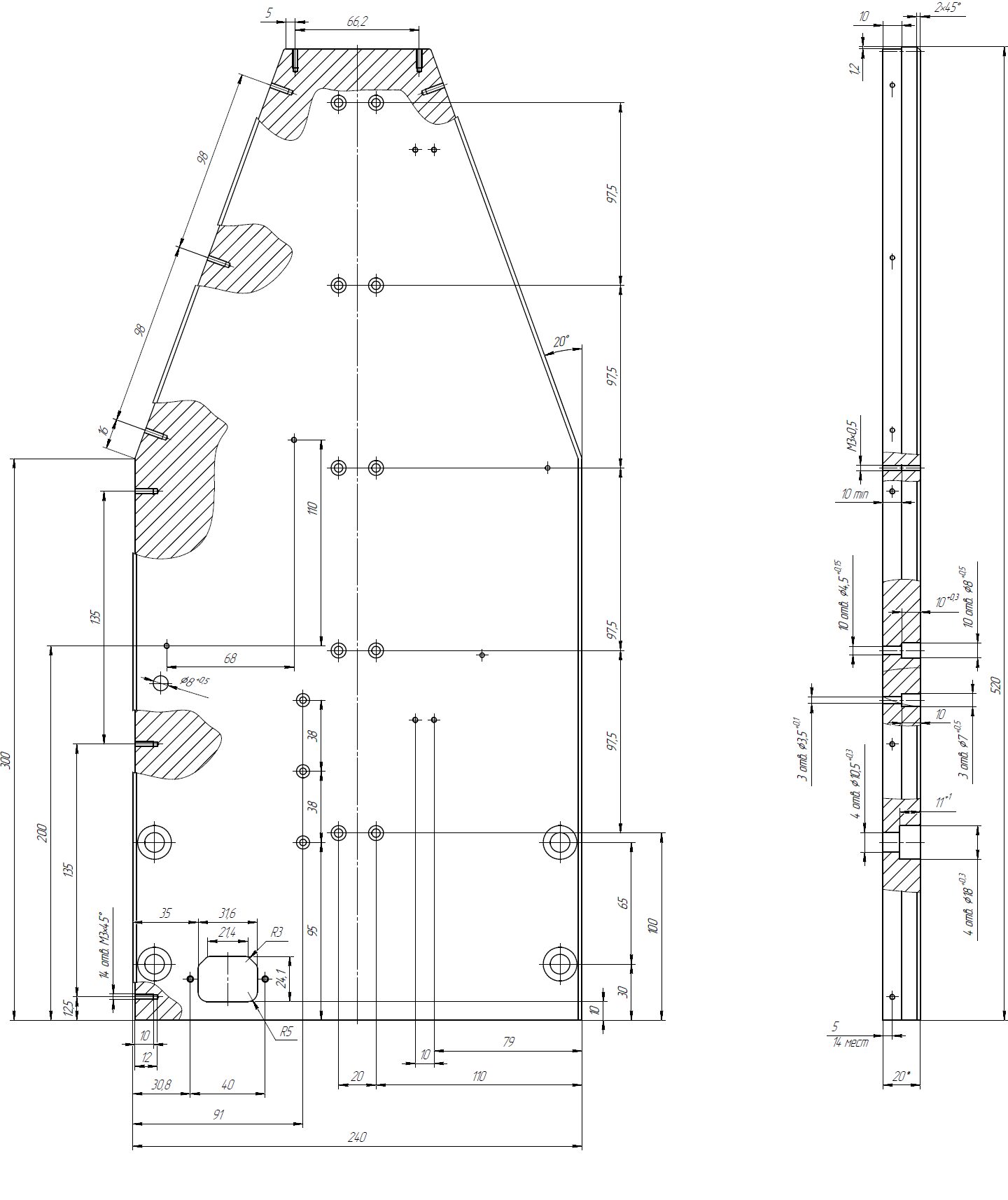
Следующим этапом нашей работы была разработка проекта в специализированных САПР, 3D моделей и чертежей для изготовления на производстве. Также на этом этапе были разработаны электрические принципиальные схемы, алгоритм работы микроскопа и прошивка для управляющего устройства, которые были согласованы с заказчиком.



Результат

Команда СКБ «Элемент» проконтролировала качество изготовленных деталей для сборки микроскопа и произвела сборку устройства.

Программистами СКБ «Элемент» была разработана прошивка для управления подъемным механизмом, а также реализован вывод необходимых параметром на дисплей микроскопа для удобства использования.

После тестирования и микроскоп был поставлен заказчику.

Если у вас есть похожие задачи по оптическому контролю деталей или схожая проблематика, обращайтесь к нашим специалистам через раздел «Контакты».

проекты, чертежи